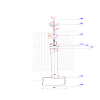
The sandstone pedestal will be professionally repaired, and the cast-iron cross will be restored by restorer Martin Šerák after the approval of the procedure by the National Heritage Institute ÚP Ústí nad Labem. The drawings show the state before the renovation.
Malečov II
On 16. 9. 2021, a meeting took place at the cross site with PhDr. Petr Hrubý, Director of the National Heritage Institute ÚP Ústí nad Labem, Dr. Martin Šerák, restorer, Jiřina Bischoffiová from MAS Labské skály, and Zdeněk Petr on behalf of the association. About a week later, stonemason Josef Sotona inspected the pedestal. A professional procedure for the renovation of the cross was established, and subsequently, quotations were submitted for the stonework and metalwork, totaling CZK 92,450.
With the generous assistance of Mrs. Bischoffiová, a grant application was submitted to the Ústí Community Foundation on 27. 9. 2021. After evaluating the applications, the association was notified on 2. 12. 2021, that it had been awarded a foundation contribution of CZK 40,000 from the funds of the Ústí Community Foundation and the company Surgipa Medical, s. r. o. The relevant contract was signed on 8. 12. 2021, in Ústí nad Labem. The remaining amount will be covered by the association's funds or donations from individuals and legal entities, with the largest donation of CZK 15,000 provided by NTD Group, a. s.



Removal of the cross by Martin Šerák on 13. 5. 2022
On 19. 10. 2022, stonemason Sotona cleaned the existing stone parts and completed the base just before the end of the year.
Installation of the cross by Martin Šerák on 12. and 13. 5. 2023
On 3. 6. 2023 at 2 p.m., a ceremony of blessing the cross was held by Dean Karel Havelka of the Roman Catholic parish of Proboštov in the presence of about 30 kindred spirits. The cross "Malečov II" became the second small sacred monument restored by the association.
It was beautiful sunny weather, and the gilded parts of the cross truly shone. Everyone enjoyed the moment of blessing, bringing the renovated cross to "life." After lighting the candle, there was a small refreshment; those present had a good time and enjoyed cakes, poppy seed and savory strudel, and bundt cake. Due to the windy weather, hot tea was the most popular drink.
After more than a year and a half since the blessing of the cross, the strut of the cross was put in place on the third attempt on 30 March 2025. At first the strut was too long, and on the second attempt in the fall of 2024 it was discovered that the fence field had to be dismantled to install the strut.
Photos of the cross strut installation: 01 - the dismantling of the fence field begins, 02 - the thinking near the deployed strut, 03 - the hole is deepened, 04 - the lower end of the strut is attached to the chemical anchor, then the hole is sealed with a mixture of sand and Roman cement, 05 - the upper end of the strut is attached to the bolt with a nut, 06 - one fence post has to be adjusted to re-deploy the fence field, 07 - the cross strut is exactly in the gap between the posts
